Skip to content

Application of Hydraulic Cylinder in High-Temperature Industrial Equipment for a Taiwan customer

    Date: 
    2017/11/14

    Order series number: 
    171109 – 1114T

    Order detail:

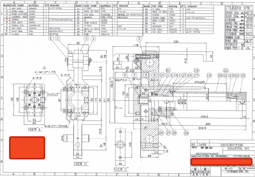
    Design drawings:

    Delivery situation:

    About the project:

    In this setup, the hydraulic cylinder is installed on a heavy-duty support frame beneath the working area. The cylinder operates a hinged clamping arm that engages with the upper mechanism, providing linear motion for positioning, clamping, or actuating a component of the equipment.
    Such hydraulic cylinders are typically used in high-temperature or heavy-load environments, such as foundries, smelting furnaces, or casting lines. The robust support structure ensures the cylinder remains stable under high reaction forces, while the hydraulic system delivers reliable and precise motion control.
    This configuration allows the equipment to perform operations such as lid lifting, mold locking, or vessel tilting with high efficiency and safety.

    JW Hydraulic Cylinder Logo

    Contact Information

    Ph: +86-21-62666697